详细介绍
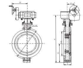
产品特点 1、本阀采用双偏心结构,具有越关越紧的密封功能,密封性能可靠。 2、密封副材料选用不锈钢和丁腈耐油橡胶配对,使用寿命长。 3、橡胶密封圈即可位于阀体上,也可以位于蝶板上,可适用不同特点的介质,供用户选择。 4、蝶板采用框架结构,强度高,过流面积大,流阻小。 5、整体烤漆、能有效地防止锈蚀且只要更换密封阀座密封材料,就可使用于不同介质。 6、本阀具有双向密封功能,安装时不受介质流向的控制,也不受空间位置的影响,可在任何方向安装。 7、本阀结构独特,操作灵活,省力,方便。 主要结束参数
主要零部件材料
执行标准
产品尺寸
| ||||||||||||||||||||||||||||||||||||||||||||||||||||

水力控制阀结构视频
国标电站闸阀视频
插板阀
结构视频





扫一扫关注我们