详细介绍
产品概述 产品特点1.功能强劲:智能型、调节型、开关式。2.体积小巧:体积仅相当于同类产品的35%左右。 3.使用方便:采用单相电源,接线简单;采用独创的球型凸出结构,使观察更方便;免加油免点检、防水防锈、任意角度安装。 4.保护装置有双重限位、过热保护、过载保护。全行程时间15秒、30秒、45秒、60秒。及带手动功能。 5.智能数控:内置模块采用先进计算机单片及智能控制软件直接接收计算机或工业仪表等输出的标准信号(4-20mA DC /1-5VDC)实现阀门开度的智能控制和精确定位。 也可选用3810系列或NA系列电子式角行程执行机构.亦可选用PSQ系列或DYR系列。≥DN 200口径阀门一般采用380VAC电动执行器。国内品牌如瑞基,澳托克,扬州电力,天二通,兰陵等;国外品牌有英国罗托克、法国伯纳德、德国瓯玛、德国西博思(西门子)等。 技术参数
主要零件的材质
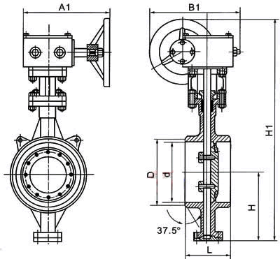
产品尺寸
| |||||||||||||||||||||||||||||||||||||||||||||||||||||||||||

水力控制阀结构视频
国标电站闸阀视频
插板阀
结构视频




扫一扫关注我们