详细介绍
产品用途
硬密封蝶阀采用精密的J形弹性密封圈和三偏心多层次金属硬密封结构,被广泛用于介质温度≤425℃的治金、电力、石油化工、以及给排水和市政建设等工业管道上,作调节流量和载断流体使用
产品特点
1、硬密封蝶阀采用三偏心密封结构,阀座与蝶板几乎无磨损,具有越观越紧的密封功能
2、密封圈选用不锈钢制作,具有金属硬密封和弹性密封的双重优点,无论在低温和高温的情况下,均具有优良的密封性能,具有耐腐蚀,使用寿命长等特点
3、蝶板密封面采用堆焊钴基硬质合金,密封面耐磨损,使用寿命长
4、大规格蝶板采用绗架结构,强度高,过流面积大,流阻小
5、硬密封蝶阀具有双向密封功能,安装时不受介质流向的限制,也不受空间位置的影响,可在任何方向安装
6、驱动装置可以多工位(旋转90°或180°)安装,便于用户使用
执行标准
设计规范:GB/T 12238
结构长度:GB/T 12221
法兰连接:GB/T 9113
试验与检验:GB/T 13927
产品标识:GB/T 12220
性能参数
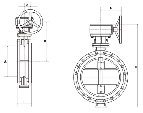
产品尺寸![]() | |||||||||||||||||||||||||||||||||||||||||

水力控制阀结构视频
国标电站闸阀视频
插板阀
结构视频





扫一扫关注我们