详细介绍
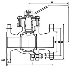
| 产品名称: 美标球阀 产品描述: 系列型号:Q41,Q47 连接形式:法兰 公称通径:NPS2~24" 公称压力:CLASS 150~600 温度范围:-51~280℃ 阀体材料:WCB,LCB,WC6,WC9, CF8,CF8M,CF3,CF3M,A105。 驱动方式:手动、电动、气动 设计标准:ASME/ANSI B16.34 结构长度:ASME/ANSI B16.10 连接标准:法兰端尺寸标准(ASME/ANSI B16.5(RF)(RJ)),对焊端尺寸标准(ASME/ANSI B16.25(BW)) 检验标准:API 598 系列产品:浮动球阀,固定球阀,片式球阀,涡轮球阀,电动球阀,气动球阀 球阀在石油、天然气、煤炭和矿石的开采、提炼加工和管道输送系统中;在化工产品、医药和食品生产中;在水电、火电和核电的电力生产系统中;在城市和工业企业的给排水、供热、和供气系统中;在农田的排灌系统中;在治金生产系统中得以广泛的应用,是一种与生产建设、国防建设和人民生活息息相关的重要机械产品。球阀密闭在各类管路系统种用于截断或接通介质流,使介质按照预定的程序输送到各个指定点。 产品结构![]() |

水力控制阀结构视频
国标电站闸阀视频
插板阀
结构视频





扫一扫关注我们