详细介绍
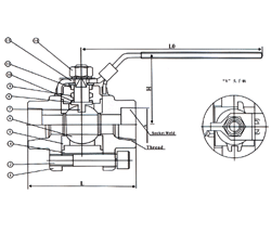
锻钢球阀特点 适用范围 800Lb锻钢球阀结构
注意:客户需求的其他材质也可采用。密封面材料配对由客户指定内件代号决定。CS=碳钢;AS=合金钢;SS=不锈钢; 800Lb锻钢球阀主要外形尺寸
900Lb-1500Lb锻钢球阀结构
900Lb-1500Lb锻钢球阀主要性能规范
900Lb-1500Lb锻钢球阀主要外形尺寸
产品结构![]() | ||||||||||||||||||||||||||||||||||||||||||||||||||||||||||||||||||||||||||||||||||||||||||||||||||||||||||||||||||||||||||||||||||||||||||||||||||||||||||||||||||||||||||||||||||||||||||||||||||||||||||||||||||||||||||||||||||||||

锻钢球阀特点 适用范围 800Lb锻钢球阀结构
注意:客户需求的其他材质也可采用。密封面材料配对由客户指定内件代号决定。CS=碳钢;AS=合金钢;SS=不锈钢; 800Lb锻钢球阀主要外形尺寸
900Lb-1500Lb锻钢球阀结构
900Lb-1500Lb锻钢球阀主要性能规范
900Lb-1500Lb锻钢球阀主要外形尺寸
产品结构![]() | ||||||||||||||||||||||||||||||||||||||||||||||||||||||||||||||||||||||||||||||||||||||||||||||||||||||||||||||||||||||||||||||||||||||||||||||||||||||||||||||||||||||||||||||||||||||||||||||||||||||||||||||||||||||||||||||||||||||
输入手机或固定电话号码,点击“免费咨询”按钮后,
我们的服务人员会在15秒内回拨您。