详细介绍
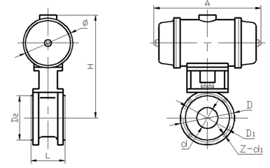
| 产品概述 Q671 气动对夹球阀是气动球阀中的一种,是引进意大利技术进行国产化设计而发展出的新一代超短法兰距球阀,球芯通道形状有矩形、V形及O形。该产品具有结构紧凑、体积小、重量轻、安装方便等特点,可广泛应用在石油、化工、冶金、电站、轻工等领域,对油、水、气及纸浆或纤维状流体进行自动调节或切断控制。Q671 气动球阀由气动双活塞齿轮齿条执行器和超短法兰距球阀组合而成,阀体部分同“1”电动球阀阀体一样。气动活塞执行机构分有弹簧式和无弹簧式两种。故障下要求阀全开或关闭时配有弹簧式(靠弹簧的恢复张力复位),故障下要求保位时,配无弹簧式。它主要由缸体、弹簧、活塞、活塞杆、前后缸盖、齿条、输出轴等零部件组成。对两位开关阀,需配电磁阀以及行程开关等;对比例式调节阀,需配定位器。 主要连接尺寸
产品尺寸![]() |

水力控制阀结构视频
国标电站闸阀视频
插板阀
结构视频





扫一扫关注我们