详细介绍
用途及特点 1、流体阻力小、球阀是所有阀类中流体阻力最小的一种,即使是缩径球阀,其流体阻力也相当小。 执行机构采用新型系列GT型气动执行器,有双作用式和单作用式(弹簧复位),齿轮齿条传动,安全可靠;大口径阀门采用系列AW型气动执行器拔叉式传动,结构合理,输出扭矩大,有双作用式和单作用式。 1、齿轮式双活塞,输出力矩大,体积小。 附件的选项根据不同控制和要求可选择下列附件:切断型附件:单电控电磁阀、双电控电磁阀、限位开关回讯器。 调节型附件:电气定位器、气动定位器、电气转换器。 气源处理附件:空气过滤减压阀、气源处理三联件。 手动机构:HVSD手操机构 性能规范
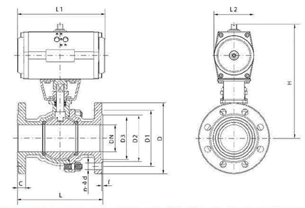
安装尺寸表
产品结构![]() | |||||||||||||||||||||||||||||||||||||||||||||||||||||||||||||||||||||||||||||||||||||||||||||||||||||||||||||||||||||||||||||||||||||||||||||||||||||||||||||||||||||||||||||||||||||||||||||||||||||||||||||||||||||||||||||||||||||||||||||||||||||||||||||||||||||||||||||||||||||||||||||||||||||||||||||||||||||||||||||||||||||||||||||||||||||||||||||||||||||||||||||

水力控制阀结构视频
国标电站闸阀视频
插板阀
结构视频





扫一扫关注我们