详细介绍
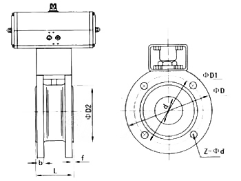
| 用途及用途 该薄型球阀是吸收意大利技术并经国产化设计而发展出来的新型超短法兰距球阀。 它采用直连方式执行机构连接,具有结构紧凑、尺寸小、重量轻、摩擦阻力小、回差小、动作稳定可靠等优点。 技术参数
安装尺寸表
产品尺寸![]() | ||||||||||||||||||||||||||||||||||||||||||||||||||||||||||||||||||||||||||||||||||||||||||||||||||||||||||||||||||||||||||||||||||||||||||||||||||||||||||||||||||||||||||||||||||||||||||||||||||||||||||||||||||||

| 用途及用途 该薄型球阀是吸收意大利技术并经国产化设计而发展出来的新型超短法兰距球阀。 它采用直连方式执行机构连接,具有结构紧凑、尺寸小、重量轻、摩擦阻力小、回差小、动作稳定可靠等优点。 技术参数
安装尺寸表
产品尺寸![]() | ||||||||||||||||||||||||||||||||||||||||||||||||||||||||||||||||||||||||||||||||||||||||||||||||||||||||||||||||||||||||||||||||||||||||||||||||||||||||||||||||||||||||||||||||||||||||||||||||||||||||||||||||||||
输入手机或固定电话号码,点击“免费咨询”按钮后,
我们的服务人员会在15秒内回拨您。