sp45f数字锁定平衡阀

Q944F电动三通球阀电动三通球阀

  • 质量稳定
  • 价格合理
  • 交货快捷
  • 天力水暖为您提供全套工程阀门解决方案
  • 销售:0577-8681 5766
  • 传真:0577-8683 8292
  • 地址:浙江省温州市龙湾沙城七五兴业路11号
15325513395

详细介绍

产品用途
1、结构紧凑、启闭迅速、流道畅通、流体阻力小。
2、密封性能好:利用四面阀座材料聚四氟乙烯弹性变形实现无泄漏密封。
3、一阀多用:任一通口可用作入口而无泄漏,三通既可制成L型通口,也可制成T型通口。
4、维修方便:在系统卸压后,无需拆下整个阀体就可进行检查和维修。
5、泛适用于供水、石化、冶金、矿山、轻纺、能源、造纸、食品、钢铁等管路系统中对介质流向进行切换以及对介质的分流或混合流体。

执行标准
1.设计和制造:GB/T12237989; APl608。
2.检验和试验:GB/T13927992; APl 598。
3.法兰连接:JB/T79]一2994; ASME/ANSI B165。
4.结构长度:JD-2002

主要零件材料

阀体\阀盖

GB

WCB

ZGlCrl8Ni9Ti

ZGOCfl8Nil2M02Ti

ASTM

WCB

CF8

CF8M

球体

? GB

2Cfl3

1Cfl8Ni9Ti

0Cfl8Ni12M02Ti

ASTM

420

304

316

阀杆

GB

2Crl3

1Crl8Ni9Ti

0Crl8Ni12M02Ti

ASTM

420

304

316

阀座\密封面

GB

聚四氟乙烯

对位聚苯

聚四氟乙烯

对位聚苯

聚四氟乙烯

对位聚苯

ASTM

聚四氟乙烯

对位聚苯

聚四氟乙烯

对位聚苯

聚四氟乙烯

对位聚苯

填料

GB

聚四氟乙烯

柔性石墨

聚四氟乙烯

柔性石墨

聚四氟乙烯

柔性石墨

ASTM

聚四氟乙烯

柔性石墨

聚四氟乙烯

柔性石墨

聚四氟乙烯

柔性石墨

螺栓

GB

35

0Crl8Ni9

0Crl8Ni9

ASTM

A193B7

A320-B8

A320-B8

螺母

GB

45

0Cfl8Ni9

0Crl8Ni9

ASTM

A1942H

A194-8

A194-8

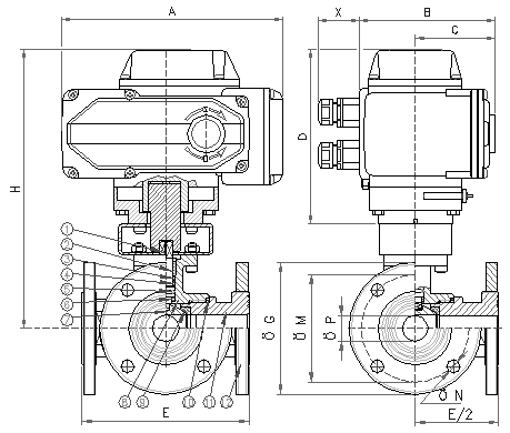
产品尺寸
© 2017 温州天力水暖设备有限公司 版权所有 备案号:浙ICP备19051804号 瑞奇阀门
Top

[关闭]免费接听天力销售工程师电话

输入手机或固定电话号码,点击“免费咨询”按钮后,
我们的服务人员会在15秒内回拨您。

手机请直接输入:如 13878800000
座机前请加区号:如 02168103333
我们已对本次通话全程加密,您的通话费用我们已经帮您支付,请放心接听!
免费通话所产生的费用由我们来支付,请放心接听!
销售热线:0577-86815766