sp45f数字锁定平衡阀

q946电动四通球阀

  • 质量稳定
  • 价格合理
  • 交货快捷
  • 天力水暖为您提供全套工程阀门解决方案
  • 销售:0577-8681 5766
  • 传真:0577-8683 8292
  • 地址:浙江省温州市龙湾沙城七五兴业路11号
15325513395

详细介绍

结构特点
1、流体阻力小:球体和阀体的连接管道截面相等,且球体通道采用圆弧连接,介质通过球体时,流体阻力小。
2、密封性能: 阀座采用具有一定弹性变形和高强度的PTFE材料,达到良好密封性能保证了阀门的稳定性。
3、使用寿命长: 阀门的阀芯和光颈材料采用奥氏不锈钢,阀座材料选用PTFE, 能达到良好的抗腐蚀性作用,延长了阀门使用寿命。

执行标准
1.设计和制造:GB/T12237989; APl608。
2.检验和试验:GB/T13927992; APl 598。
3.法兰连接:JB/T79]一2994; ASME/ANSI B165。

主要零件材料

阀体\阀盖

GB

WCB

ZGlCrl8Ni9Ti

ZGOCfl8Nil2M02Ti

ASTM

WCB

CF8

CF8M

球体

?GB

2Cfl3

1Cfl8Ni9Ti

0Cfl8Ni12M02Ti

ASTM

420

304

316

阀杆

GB

2Crl3

1Crl8Ni9Ti

0Crl8Ni12M02Ti

ASTM

420

304

316

阀座\密封面

GB

聚四氟乙烯

对位聚苯

聚四氟乙烯

对位聚苯

聚四氟乙烯

对位聚苯

ASTM

聚四氟乙烯

对位聚苯

聚四氟乙烯

对位聚苯

聚四氟乙烯

对位聚苯

填料

GB

聚四氟乙烯

柔性石墨

聚四氟乙烯

柔性石墨

聚四氟乙烯

柔性石墨

ASTM

聚四氟乙烯

柔性石墨

聚四氟乙烯

柔性石墨

聚四氟乙烯

柔性石墨

螺栓

GB

35

0Crl8Ni9

0Crl8Ni9

ASTM

A193B7

A320-B8

A320-B8

螺母

GB

45

0Cfl8Ni9

0Crl8Ni9

ASTM

A1942H

A194-8

A194-8

主要连接尺寸

公称压力
PN

公称通径
DN

尺 寸(mm)

L

L0

D

K

d

Y

b

z-do

Hw

Hd

1.6MPa

50

260

130

165

125

100

 

16

4-ф18

205

265

65

320

160

185

145

120

 

18

4-ф18

245

295

80

320

160

200

160

135

 

20

8-ф18

305

345

100

370

185

220

180

155

 

20

8-ф18

340

420

125

510

255

250

210

185

 

22

8-ф18

425

465

150

510

255

285

240

2'0

 

24

8-ф23

450

505

200

580

290

340

295

265

 

26

12-ф23

480

525

250

670

335

405

355

320

 

30

12-ф25

530

565

300

760

380

460

410

375

 

30

12-ф25

585

630

350

850

425

520

470

435

 

34

16-ф25

625

675

400

980

490

580

525

485

 

36

16-ф30

670

710

450

1080

540

640

585

545

 

40

20-ф30

705

770

500

1220

610

715

650

608

 

44

20-ф34

765

825

600

1360

680

840

770

718

 

48

20-ф41

840

945

700

1750

875

910

840

788

 

50

24-ф41

1050

1110

800

1850

925

1025

950

898

 

52

24-ф41

1125

1220

900

2050

1025

1125

1050

998

 

54

28-ф41

1260

1315

1000

2150

1075

1255

1170

1110

 

56

28-ф48

1325

1385

1200

2450

1225

1485

1390

1325

 

58

32-ф54

1395

1450

2.5MPa

50

260

130

165

125

100

 

20

4-ф18

205

265

65

320

160

185

145

120

 

22

8-ф18

245

295

80

320

160

200

160

135

 

22

8-ф18

305

345

100

370

185

230

190

160

 

24

8-ф23

340

420

125

510

255

270

220

188

 

28

8-ф25

405

465

150

510

255

300

250

218

 

30

8-ф25

450

505

200

580

290

360

310

278

 

34

12-ф25

480

525

250

670

335

425

370

332

 

36

12-ф30

530

565

300

760

380

485

430

390

 

40

16-ф30

585

630

350

850

425

555

490

448

 

44

16-ф34

625

675

400

980

490

620

550

505

 

48

16-ф34

670

710

450

1080

540

670

600

555

 

50

20-ф34

705

770

500

1220

610

730

660

610

 

52

20-ф41

765

825

600

1360

680

845

770

718

 

56

20-041

840

945

700

1750

875

960

875

815

 

60

24-ф48

1050

1110

800

1850

925

1085

990

930

 

64

24-ф48

1125

1220

900

2050

1025

1185

1090

1025

 

66

28-ф54

1260

1315

1000

2150

1075

1320

1210

1140

 

68

28-ф58

1325

1385

1200

2450

1225

1520

1420

1350

 

72

32-ф58

1395

1450

4.0MPa

50

260

130

165

125

100

88

20

8-ф18

245

285

65

320

160

185

145

120

110

22

8-ф18

265

315

80

320

160

200

160

135

121

22

8-ф18

320

365

100

370

185

235

190

160

150

24

8-ф23

355

465

125

510

255

270

220

188

176

28

8-ф25

425

495

150

510

255

300

250

218

204

30

8-ф25

470

535

200

580

290

375

320

282

260

38

12-ф30

480

565

250

670

335

450

385

345

313

42

12-ф34

530

605

300

760

380

515

450

408

364

46

16-ф34

585

675

350

850

425

580

510

465

422

52

16-ф34

625

705

400

980

490

660

585

535

474

58

16-ф41

670

745

450

1080

540

685

610

560

524

60

20-ф41

705

795

500

1220

610

755

670

612

576

62

20-ф48

765

855

600

1360

680

890

795

730

678

62

20-ф54

840

985


C1aSS150

2"

260

130

152

120.5

92

 

16

伞φ19

205

265

2 1/2"

320

160

178

139.5

105

 

18

4-ф19

245

295

3"

320

160

190

152.5

127

 

19

4-ф19

305

345

4"

370

185

229

190.5

157

 

24

8-ф19

340

420

5"

510

255

254

216

186

 

24

8-ф22

425

465

6"

510

255

279

241.5

216

 

26

8-ф22

450

505

8"

580

290

343

298.5

270

 

29

8-ф22

530

525

10"

670

335

406

362

324

 

31

12-ф25

630

565

12"

760

380

483

432

381

 

32

12-ф25

680

630

14"

850

425

533

476

413

 

35

12-ф29

625

675

16"

980

490

597

540

470

 

37

16-ф29

670

710

18"

1080

540

635

578

533

 

40

16-ф32

705

770

20"

1220

610

699

635

584

 

43

20-ф32

765

825

24"

1360

680

813

749.5

692

 

48

20。ф35

840

945

28"

1750

875

927

864

800

 

71

28-ф35

1050

1110

32"

1850

925

1060

978

914

 

81

28-ф41

1125

1220

36"

2050

1025

1168

1086

1022

 

90

32-ф41

1260

1315

40"

2150

1075

1289

1200

1124

 

90

36-ф41

1325

1385

48"

2450

1225

1511

1422

1359

 

108

44-ф41

? 1395

? 1450

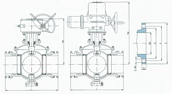
产品尺寸

© 2017 温州天力水暖设备有限公司 版权所有 备案号:浙ICP备19051804号 瑞奇阀门
Top

[关闭]免费接听天力销售工程师电话

输入手机或固定电话号码,点击“免费咨询”按钮后,
我们的服务人员会在15秒内回拨您。

手机请直接输入:如 13878800000
座机前请加区号:如 02168103333
我们已对本次通话全程加密,您的通话费用我们已经帮您支付,请放心接听!
免费通话所产生的费用由我们来支付,请放心接听!
销售热线:0577-86815766