sp45f数字锁定平衡阀

q646气动四通球阀

  • 质量稳定
  • 价格合理
  • 交货快捷
  • 天力水暖为您提供全套工程阀门解决方案
  • 销售:0577-8681 5766
  • 传真:0577-8683 8292
  • 地址:浙江省温州市龙湾沙城七五兴业路11号
15325513395

详细介绍

用途及特点
1、流体阻力小:球体和阀体的连接管道截面相等,且球体通道采用圆弧连接,介质通过球体时,流体阻力小。
2、密封性能女子: 阀座采用具有一定弹性变形和高强度的PTFE材料,达到良好密封性能保证了阀门的稳定性。
3、使用寿命长: 阀门的阀芯和光颈材料采用奥氏不锈钢,阀座材料选用PTFE, 能达到良好的抗腐蚀性作用,延长了阀门使用寿命。

执行标准 
I 设计和制造:GB/T12237989; APl608。
2.检验和试验:GB/T13927992; APl 598。
3 法兰连接:JB/T79]一2994; ASME/ANSI B165。

【技术参数】试验压力 单位:Mpa

公称压力
PN

常温最大
工作压力

壳体
试验压力

气密封
试验压力

高压密封
试验压力

1.6

1.6

2.4

0.6

1.76

2.5

2.5

3.8

0.6

2.75

4.0

4.0

6.0

0.6

4.4

C1aSSl50

2.0

3.0

0.6

2.2

使用范围

壳体材料

阀座材料

适用温度

适用介质

碳钢C型

聚四氟乙烯

≤150℃

水\蒸汽

对位聚苯

≤300℃

油晶等

铬镍钛钢P型

聚四氟乙烯

≤150℃


硝酸类

对位聚苯

≤200℃

 
铬镍钼钛钢R型

聚四氟乙烯

≤150℃


醋酸类

对位聚苯

≤200℃

主要零件材料

阀体\阀盖

GB

WCB

ZGlCrl8Ni9Ti

ZGOCfl8Nil2M02Ti

ASTM

WCB

CF8

CF8M

球体

GB

2Cfl3

1Cfl8Ni9Ti

0Cfl8Ni12M02Ti

ASTM

420

304

316

阀杆

GB

2Crl3

1Crl8Ni9Ti

0Crl8Ni12M02Ti

ASTM

420

304

316

阀座\密封面

GB

聚四氟乙烯

对位聚苯

聚四氟乙烯

对位聚苯

聚四氟乙烯

对位聚苯

ASTM

聚四氟乙烯

对位聚苯

聚四氟乙烯

对位聚苯

聚四氟乙烯

对位聚苯

填料

GB

聚四氟乙烯

柔性石墨

聚四氟乙烯

柔性石墨

聚四氟乙烯

柔性石墨

ASTM

聚四氟乙烯

柔性石墨

聚四氟乙烯

柔性石墨

聚四氟乙烯

柔性石墨

螺栓

GB

35

0Crl8Ni9

0Crl8Ni9

ASTM

A193B7

A320-B8

A320-B8

螺母

GB

45

0Cfl8Ni9

0Crl8Ni9

ASTM

A1942H

A194-8

A194-8

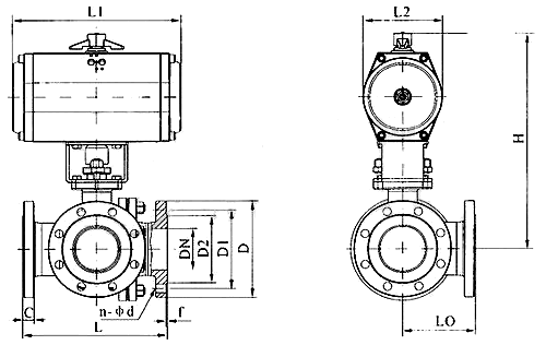
产品尺寸

© 2017 温州天力水暖设备有限公司 版权所有 备案号:浙ICP备19051804号 瑞奇阀门
Top

[关闭]免费接听天力销售工程师电话

输入手机或固定电话号码,点击“免费咨询”按钮后,
我们的服务人员会在15秒内回拨您。

手机请直接输入:如 13878800000
座机前请加区号:如 02168103333
我们已对本次通话全程加密,您的通话费用我们已经帮您支付,请放心接听!
免费通话所产生的费用由我们来支付,请放心接听!
销售热线:0577-86815766