详细介绍
产品特征 公称压力:1.6-6.4MPa 适用稳定范围:-20~232℃~350℃ 适用介质:水、油、气及某些腐蚀性液体(W。O。G) 螺纹类型:G。NPT。BSPT。BSP。DI259/2999 主要连接尺寸及重量
主要零件材料
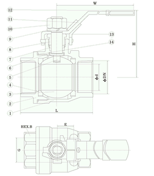
产品尺寸
| ||||||||||||||||||||||||||||||||||||||||||||||||||||||||||||||||||||||||||||||||||||||||||||||||||||||

产品特征 公称压力:1.6-6.4MPa 适用稳定范围:-20~232℃~350℃ 适用介质:水、油、气及某些腐蚀性液体(W。O。G) 螺纹类型:G。NPT。BSPT。BSP。DI259/2999 主要连接尺寸及重量
主要零件材料
产品尺寸
| ||||||||||||||||||||||||||||||||||||||||||||||||||||||||||||||||||||||||||||||||||||||||||||||||||||||
输入手机或固定电话号码,点击“免费咨询”按钮后,
我们的服务人员会在15秒内回拨您。