sp45f数字锁定平衡阀

xs41pt衬氟旋塞阀

  • 质量稳定
  • 价格合理
  • 交货快捷
  • 天力水暖为您提供全套工程阀门解决方案
  • 销售:0577-8681 5766
  • 传真:0577-8683 8292
  • 地址:浙江省温州市龙湾沙城七五兴业路11号
15325513395

详细介绍

主要零部件材料
零件名称 材料
阀体 铸铁、铸钢、不锈钢、内衬F46、F3
塞子 铸铁、铸钢、不锈钢、内衬F46、F3
阀盖 铸铁、铸钢、不锈钢
填料 F4
设计制造标准
技术规范
设计标准 GB12240
结构长度 GB12221
法兰标准
驱动方式 
JG/T79-94
GB9113.1-26
检验试验 GB/T13927
驱动方式 手动、蜗轮、电动、气动
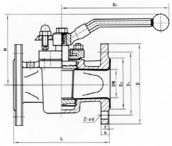
主要外形与连接尺寸
公称通径 PN1。0(Mpa)主要外形尺寸和连接尺寸(mm) 重量
DN  L   D  D1 D2  f   b  z-Φd D。  H  Kg
20 150 105 75 50  3  14 4-Φ14 160 95 7
25 160 115 85 65  3  14 4-Φ14 160 98 8
32 170 135 100 70  3  16 4-Φ18 220 113 10
40 180 145 110 80  3  18 4-Φ18 250 135 15
50 210 160 125 100  3  20 4-Φ18 250 140 18
65 220 180 145 120 3.5 20 4-Φ18 300 145 25
80 250 195 160 135 3.5 22 4-Φ18 330 205 35
100 275 215 180 155  4  24 8-Φ18 350 240 46
125 310 245 210 185  4  26 8-Φ18 400 260 65
150 350 280 240 210  4  28 8-Φ23 600 290 90
200 400 335 295 265 4.5 32 8-Φ23 800 330 160
250 460 390 350 320 4.5 36 12-Φ23 900 380 230
产品结构

© 2017 温州天力水暖设备有限公司 版权所有 备案号:浙ICP备19051804号 瑞奇阀门
Top

[关闭]免费接听天力销售工程师电话

输入手机或固定电话号码,点击“免费咨询”按钮后,
我们的服务人员会在15秒内回拨您。

手机请直接输入:如 13878800000
座机前请加区号:如 02168103333
我们已对本次通话全程加密,您的通话费用我们已经帮您支付,请放心接听!
免费通话所产生的费用由我们来支付,请放心接听!
销售热线:0577-86815766