sp45f数字锁定平衡阀

BX43W二通保温旋塞阀

  • 质量稳定
  • 价格合理
  • 交货快捷
  • 天力水暖为您提供全套工程阀门解决方案
  • 销售:0577-8681 5766
  • 传真:0577-8683 8292
  • 地址:浙江省温州市龙湾沙城七五兴业路11号
15325513395

详细介绍

主要性能范围

型号 公称压力
PN(MPa)
试验压力PS(MPa) 工作压力
P(MPa)
适用介质 工作温度
(℃)
壳体 密封
BX43W.0P 1.0 1.5 1.1 1.0 硝酸类等 ≤250
BX43W.0C 1.0 1.5 1.1 1.0 非腐蚀、弱腐蚀 ≤200

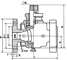
主要尺寸参数

口径(DN) L D D1 D2 z-φd
20 90 150 105 75 55 4╳14
25 110 160 115 85 65 4╳14
32 115 190 135 100 78 4╳18
40 150 200 145 110 85 4╳18
50 170 220 160 125 100 4╳18
65 220 280 180 145 120 4╳18
80 250 300 195 160 135 4╳18
100 300 340 215 180 155 8╳18
125 350 245 210 185 8╳18
150 400 280 240 210 8╳23
200 450 335 295 265 8╳23
250 530 390 350 320 8╳23
300 580 440 400 368 8╳23

产品尺寸

© 2017 温州天力水暖设备有限公司 版权所有 备案号:浙ICP备19051804号 瑞奇阀门
Top

[关闭]免费接听天力销售工程师电话

输入手机或固定电话号码,点击“免费咨询”按钮后,
我们的服务人员会在15秒内回拨您。

手机请直接输入:如 13878800000
座机前请加区号:如 02168103333
我们已对本次通话全程加密,您的通话费用我们已经帮您支付,请放心接听!
免费通话所产生的费用由我们来支付,请放心接听!
销售热线:0577-86815766