sp45f数字锁定平衡阀

zt9928手动浆料闸阀

  • 质量稳定
  • 价格合理
  • 交货快捷
  • 天力水暖为您提供全套工程阀门解决方案
  • 销售:0577-8681 5766
  • 传真:0577-8683 8292
  • 地址:浙江省温州市龙湾沙城七五兴业路11号
15325513395

详细介绍

主要性能规范
公称压力PN(MPa)
适用介质
阀体材料
适用温度
0.6
铸钢、铸铁、不锈钢
纸浆料
X<80
1.0
糖浆、泥浆、纸浆、污水
铸钢、铸铁
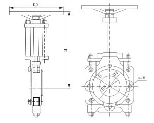
主要外形及连接尺寸
公称压力PN(MPa)

公称通径DN(mm)

主要结构尺寸(mm)
公称压力PN(MPa)

公称通径DN(mm)

主要结构尺寸(mm)
L
D1
D2
H
H1
N-M
Z-Φd
L
H
H1
D1
D2
Z-Φd
0.6
50
50
90
110
380
330
22
24
1.0
50
48
306
356
100
125
4-20
65
55
110
130
415
350
22
24
65
48
320
365
120
145
4-20
80
60
125
150
450
370
26
28
80
50
336
416
135
160
4-20
100
60
145
170
500
400
26
28
100
50
374
474
155
180
8-20
125
65
175
200
625
500
46
48
125
57
446
571
184
210
8-20
150
70
200
225
690
540
46
48
150
57
543
693
210
240
8-24
200
75
255
280
800
600
46
48
200
70
610
810
268
295
8-24
250
85
260
335
900
650
86
48
250
70
724
974
324
350
12-24
300
90
362
395
1000
720
8-20
4-22
300
76
820
1120
370
400
12-24
350
105
412
445
1130
780
8-20
4-22
350
76
921
1271
430
460
16-24
400
115
462
495
1750
850
12-20
4-22
400
89
1026
1426
485
515
16-28
产品尺寸

© 2017 温州天力水暖设备有限公司 版权所有 备案号:浙ICP备19051804号 瑞奇阀门
Top

[关闭]免费接听天力销售工程师电话

输入手机或固定电话号码,点击“免费咨询”按钮后,
我们的服务人员会在15秒内回拨您。

手机请直接输入:如 13878800000
座机前请加区号:如 02168103333
我们已对本次通话全程加密,您的通话费用我们已经帮您支付,请放心接听!
免费通话所产生的费用由我们来支付,请放心接听!
销售热线:0577-86815766