详细介绍
产品概述 用途 特点 2、该阀装在泵后,可代替闸阀(蝶阀)和止回阀两台阀门。且流阻系数小,大口径蝶阀流阻系数只比闸阀略高。因此,该类阀门为节能产品。 3、HD7Q41X型阀关闭时,可以根据管道系统的特性或用户要求调整快、慢关段的时间和切换角度,从而达到消除或减小水锤,保护系统作用。 4、如所有行程开关都采用电感式接近开关,移除液压站,防护等级可达IP67。 主要技术参数
主要零部件材料
执行标准
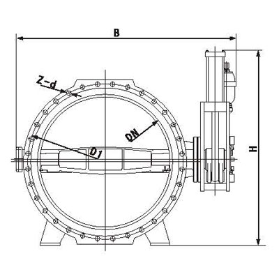
HD7Q41X-6/10/16全液控止回阀蝶阀主要外形连接尺寸
产品尺寸
| ||||||||||||||||||||||||||||||||||||||||||||||||||||||||||||||||||||||||||||||||||||||||||||||||||||||||||||||||||||||||||||||||||||||||||||||||||||||||||||||||||||||||||||||||||||||||||||||||||||||||||||||||||

产品概述 用途 特点 2、该阀装在泵后,可代替闸阀(蝶阀)和止回阀两台阀门。且流阻系数小,大口径蝶阀流阻系数只比闸阀略高。因此,该类阀门为节能产品。 3、HD7Q41X型阀关闭时,可以根据管道系统的特性或用户要求调整快、慢关段的时间和切换角度,从而达到消除或减小水锤,保护系统作用。 4、如所有行程开关都采用电感式接近开关,移除液压站,防护等级可达IP67。 主要技术参数
主要零部件材料
执行标准
HD7Q41X-6/10/16全液控止回阀蝶阀主要外形连接尺寸
产品尺寸
| ||||||||||||||||||||||||||||||||||||||||||||||||||||||||||||||||||||||||||||||||||||||||||||||||||||||||||||||||||||||||||||||||||||||||||||||||||||||||||||||||||||||||||||||||||||||||||||||||||||||||||||||||||
输入手机或固定电话号码,点击“免费咨询”按钮后,
我们的服务人员会在15秒内回拨您。