sp45f数字锁定平衡阀

磅级电站旋启式止回阀

  • 质量稳定
  • 价格合理
  • 交货快捷
  • 天力水暖为您提供全套工程阀门解决方案
  • 销售:0577-8681 5766
  • 传真:0577-8683 8292
  • 地址:浙江省温州市龙湾沙城七五兴业路11号
15325513395

详细介绍

产品用途
磅级电站旋启式止回阀适用于Class1500~2500Lb,工作温度-29~570℃的石油、化工、火力电站等各种工况的管路上。适用介质为:水、油品、蒸汽等。

产品结构特点
1.产品设计制造按ANSIB16.34、E101标准,可与进口设备配备使用。
2.阀门中腔采用压力自紧式密封结构,内腔压力越高密封性能越好。支管两端为3.支管两端为对焊连接,适应不同的接管要求。
4.阀门耐压部件选用优质耐热合金钢制造,高温性能好,承受压力高,耐用、安全、可靠。
5.阀瓣、阀座的密封面采用司太立(stellite)钴基硬质合金堆焊而成,耐磨、耐高温,抗擦伤性能好、使用寿命长。
6.阀瓣围绕阀座外的销轴旋转,减少关闭时发生猛烈冲击。
7.内装式的销轴结构,减小外泄漏点,使用更可靠。

主要零件的材料说明

阀 体 WCB WC1 WC6 WC9
阀 盖 25 15CrMoA 12Cr1MoVA 12Cr1MoVA
阀 瓣 WCB WC1 WC6 WC9
摇 杆 WCB WC1 WC6 WC9
阀 座 25 15Cr1MoA 12Cr1MoVA 12Cr1MoVA
销轴 1Cr17Ni2 20Cr1Mo1V1A
填 料 增强柔性石墨

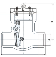
产品结构

© 2017 温州天力水暖设备有限公司 版权所有 备案号:浙ICP备19051804号 瑞奇阀门
Top

[关闭]免费接听天力销售工程师电话

输入手机或固定电话号码,点击“免费咨询”按钮后,
我们的服务人员会在15秒内回拨您。

手机请直接输入:如 13878800000
座机前请加区号:如 02168103333
我们已对本次通话全程加密,您的通话费用我们已经帮您支付,请放心接听!
免费通话所产生的费用由我们来支付,请放心接听!
销售热线:0577-86815766