sp45f数字锁定平衡阀

电动圆形百叶式调节蝶阀

  • 质量稳定
  • 价格合理
  • 交货快捷
  • 天力水暖为您提供全套工程阀门解决方案
  • 销售:0577-8681 5766
  • 传真:0577-8683 8292
  • 地址:浙江省温州市龙湾沙城七五兴业路11号
15325513395

详细介绍

用途和特点
圆形百叶式蝶阀与电动电执行机构配套广泛应用于建材、治金、矿山、电力等生产过程,能自动控制或手动控制调节管路中介质流量之用。蝶瓣采用百叶多轴体结构,液体均匀  ,启闭力均匀,动作灵敏,性能可靠。

主要技术参数
公称压力PN
0.05MPa
泄漏率
≤3%
适用温度
-30℃~350℃
介质流量
≤25m/s
适用介质
粉尘、含尘气体
 
 
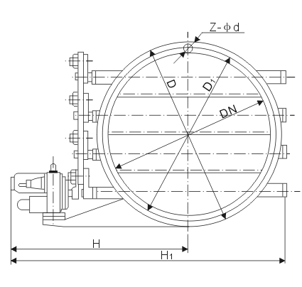
电动圆形百叶式调节蝶阀主要外形连接尺寸
DN
D1
D
L
L1
H1
H
b
Z-Фd
500
555
600
220
300
900
1270
8
208
600
655
700
220
300
950
1370
10
208
700
755
800
240
300
1000
1470
10
208
800
870
930
240
365
1120
1670
10
24-23
900
970
1030
260
365
1170
1740
12
24-23
1000
1070
1130
260
365
1220
1840
12
28-23
1120
1190
1250
280
420
1430
2110
12
28-23
1250
1320
1380
280
420
1495
2240
14
32-23
1400
1470
1530
300
420
1570
2390
14
36-23
1600
1670
1730
320
450
1745
3660
14
40-23
1800
1870
1930
340
450
1845
2860
16
44-23
2000
2070
2130
360
450
1945
3060
16
48-23
2240
2310
2370
380
480
2095
3330
18
48-23
2500
2570
2630
420
480
2225
3590
18
52-23
2800
2870
2930
440
480
2375
3890
18
60-23
3000
3070
3130
460
480
2475
4090
18
60-23
产品尺寸

© 2017 温州天力水暖设备有限公司 版权所有 备案号:浙ICP备19051804号 瑞奇阀门
Top

[关闭]免费接听天力销售工程师电话

输入手机或固定电话号码,点击“免费咨询”按钮后,
我们的服务人员会在15秒内回拨您。

手机请直接输入:如 13878800000
座机前请加区号:如 02168103333
我们已对本次通话全程加密,您的通话费用我们已经帮您支付,请放心接听!
免费通话所产生的费用由我们来支付,请放心接听!
销售热线:0577-86815766