详细介绍
产品概述 用途 特点 2、三偏心金属密,封结构启闭轻便灵活,密封零泄露。 3、常温介质可选用双偏心软密封结构,造价低,密封可靠。 4、关阀末端缓冲,有效避免阀门惯性冲击。 5、可以用弹簧实现快关,液可以用蓄能器实现快关,两种形式异曲同工,同样安全可靠。 主要技术参数
主要零部件材料
执行标准
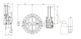
KD7X42/3P型弹簧式快关(紧急切断)蝶阀外形主要外形连接尺寸 单位:mm
产品尺寸
| |||||||||||||||||||||||||||||||||||||||||||||||||||||||||||||||||||||||||||||||||||||||||||||||||||||||||||||||||||||||||||||||||||||||||||||||||||||||||||||||||||||||||||||||||||||||||||||||||||||||||||||||||||||||||||||||||||||||||||||||||||||||||||||||||||||||||||||||||||||

产品概述 用途 特点 2、三偏心金属密,封结构启闭轻便灵活,密封零泄露。 3、常温介质可选用双偏心软密封结构,造价低,密封可靠。 4、关阀末端缓冲,有效避免阀门惯性冲击。 5、可以用弹簧实现快关,液可以用蓄能器实现快关,两种形式异曲同工,同样安全可靠。 主要技术参数
主要零部件材料
执行标准
KD7X42/3P型弹簧式快关(紧急切断)蝶阀外形主要外形连接尺寸 单位:mm
产品尺寸
| |||||||||||||||||||||||||||||||||||||||||||||||||||||||||||||||||||||||||||||||||||||||||||||||||||||||||||||||||||||||||||||||||||||||||||||||||||||||||||||||||||||||||||||||||||||||||||||||||||||||||||||||||||||||||||||||||||||||||||||||||||||||||||||||||||||||||||||||||||||
输入手机或固定电话号码,点击“免费咨询”按钮后,
我们的服务人员会在15秒内回拨您。