详细介绍
产品概述 产吕用途 产品特点 1、电动启闭,具有任意调整、止回和截止功能。操作方便,安全可靠。 2、本阀可连续实现慢开、快开或快关、慢关的动作,并有效的防止了泵出口介质倒流和水锤的产生。 3、节能驱动,与普通蝶阀同样的驱动电机即可实现快关段高速小转矩和慢关低段大转矩的功能。 4、安装在泵出口时,本蝶阀同时具有止回啊和闸阀的共同功能,因此可以一阀代两阀,节约安装空间,节省管网造价。 5、流阻小。本阀全开时流阻系数不超过0.3,因此可以节约能源,降低管路的运行费用。 6、当发生事故或停电时,可以通过手动操作控制蝶阀启闭。 主要技术参数
执行标准
主要零部件材料
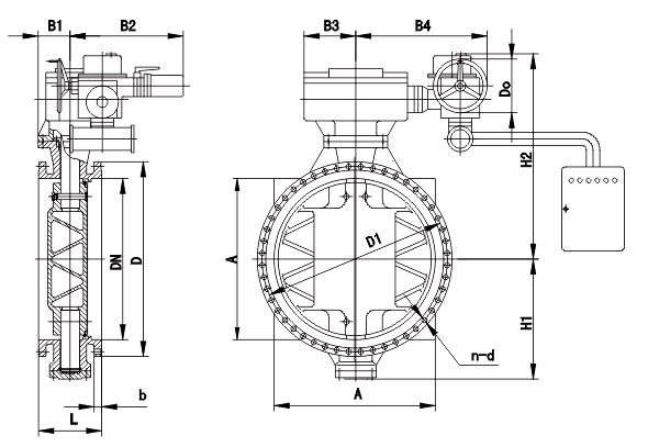
DV942X/H电动调速电动蝶阀外形主要外形连接尺寸 单位:mm
产品尺寸
| |||||||||||||||||||||||||||||||||||||||||||||||||||||||||||||||||||||||||||||||||||||||||||||||||||||||||||||||||||||||||||||||||||||||||||||||||||||||||||||||||||||||||||||||||||||||||||||||||||||||||||||||||||||||||||||||||||||||||||||||||||||||||||||||||||||||||||||||||||||||||||||||||||||||||||||||||||||||||||||||||||||||||||||||||||||||||||||||||||||||||||||||||

水力控制阀结构视频
国标电站闸阀视频
插板阀
结构视频





扫一扫关注我们