sp45f数字锁定平衡阀

BWSC中线型对夹信号蝶阀

  • 质量稳定
  • 价格合理
  • 交货快捷
  • 天力水暖为您提供全套工程阀门解决方案
  • 销售:0577-8681 5766
  • 传真:0577-8683 8292
  • 地址:浙江省温州市龙湾沙城七五兴业路11号
15325513395

详细介绍

产品概述
BWSC中线型对夹信号蝶阀是我厂引进国外先进技术而自行开发的中线型蝶阀,它具有结构简单,密封可靠,开启轻便、寿命长、维护方便等优点。故被广泛地应用于给排水、建筑消防等系统各种管道上,尤其在消防管路中。本信号阀可明白无误的显示出阀门开关状态,具有直观、清晰、可靠的反映出消防系统中的工作状态,所以广泛、大量的适用于消防系统中。

主要技术参数

公称通经
公称压力
工作温度
密封试验
强度试验
适用介质
DN50~400mm
1.0/1.6/2.5MPa
0℃~-80℃
1.1倍公称压力
1.5倍公称压力
水、油、气

主要零件材料

序号
零件名称
材质
序号
零件名称
材质
1
阀体
球铁、铸钢
7
密封圈
NBR。EPDM
2
阀轴
SUS410/SUS316
8
圆垫片
SUS316/黄铜
3
蝶板
球铁喷塑、不锈钢
9
对开环
SUS316/黄铜
4
阀座
EPDM,PTEE
10
挡圈
弹簧钢
5
衬套
青铜,聚四氟乙烯
 
 
 

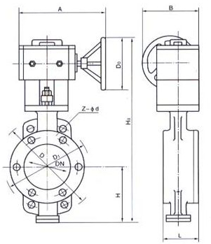
WBSX消防专用信号蝶阀主要外形连接尺寸 单位:mm

DN
50
65
80
100
125
150
200
250
300
350
400
H
268
287
309
342
376
410
495
565
849
985
1109
H1
70
76
86
104
118
132
167
198
239
267
309
L1
43
46
46
52
56
56
60
68
68
78
102
L2
32
47
65
91
112
146
194
242
292
325
380
L3
245
245
245
245
245
245
400
400
400
400
431
Ф1
152
152
152
152
152
152
300
300
305
305
290

产品尺寸

© 2017 温州天力水暖设备有限公司 版权所有 备案号:浙ICP备19051804号 瑞奇阀门
Top

[关闭]免费接听天力销售工程师电话

输入手机或固定电话号码,点击“免费咨询”按钮后,
我们的服务人员会在15秒内回拨您。

手机请直接输入:如 13878800000
座机前请加区号:如 02168103333
我们已对本次通话全程加密,您的通话费用我们已经帮您支付,请放心接听!
免费通话所产生的费用由我们来支付,请放心接听!
销售热线:0577-86815766