sp45f数字锁定平衡阀

D672X气动对夹式软密封蝶阀

  • 质量稳定
  • 价格合理
  • 交货快捷
  • 天力水暖为您提供全套工程阀门解决方案
  • 销售:0577-8681 5766
  • 传真:0577-8683 8292
  • 地址:浙江省温州市龙湾沙城七五兴业路11号
15325513395

详细介绍

产品特点

1、本阀采用双偏心结构,具有越关越紧的密封功能,密封性能可靠。

2、密封副材料选用不锈钢和丁腈耐油橡胶配对,使用寿命长。

3、橡胶密封圈即可位于阀体上,也可以位于蝶板上,可适用不同特点的介质,供用户选择。

4、蝶板采用框架结构,强度高,过流面积大,流阻小。

5、整体烤漆、能有效地防止锈蚀且只要更换密封阀座密封材料,就可使用于不同介质。

6、本阀具有双向密封功能,安装时不受介质流向的控制,也不受空间位置的影响,可在任何方向安装。

7、本阀结构独特,操作灵活,省力,方便。

主要结束参数

公称通经DN(mm)
50~2000
50~1600
公称药理PN(MPa)
0.6
1.0
1.6
密封试验(MPa)
0.66
1.1
1.76
强度试验(MPa)
0.9
1.5
2.4
适用温度
丁腈橡胶:-40℃~90℃氟橡胶:-20℃~200℃
适用介质
水、空气、天然气、油品及弱腐蚀性流体
泄漏率
符合GB/T13927-92标准
驱动方式
蜗轮传动、电动、气动、液动

主要零部件材料

零件名称
材料
阀体
WCB、QT4500、HT200、HT250
蝶板
WCB、QT4500、HT200、HT250
阀轴
2Cr13
密封圈
丁腈耐油橡胶
填料
柔性石墨

执行标准

制造标准
GB/T 122387-89
法兰标准
GB9113-2000、GB17241.6998
结构长度标准
GB12221-89
检验标准
GB/T 13927-92

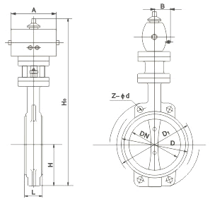
产品尺寸

© 2017 温州天力水暖设备有限公司 版权所有 备案号:浙ICP备19051804号 瑞奇阀门
Top

[关闭]免费接听天力销售工程师电话

输入手机或固定电话号码,点击“免费咨询”按钮后,
我们的服务人员会在15秒内回拨您。

手机请直接输入:如 13878800000
座机前请加区号:如 02168103333
我们已对本次通话全程加密,您的通话费用我们已经帮您支付,请放心接听!
免费通话所产生的费用由我们来支付,请放心接听!
销售热线:0577-86815766