详细介绍
| 产品用途 伸缩蝶阀为法兰式蝶阀和管道伸缩器两种功能为一体,即能起到节流作用,又能解决温差所产生的内力的消除,即起到伸缩作用。该阀可在电力、冶金、石油、化工、煤气、城市供热、水电造纸、轻纺、医药、食品、供排水、能源、一切非腐蚀性的气体、液体、半流体以及固体粉末管线和容器上作为调节和截流使用。可任意位置安装,不受介质、流向的影响,另作阀门安装时两法兰间距的调节。 1、设计新颖,结构独特。 2、体积小,重量轻。 3、操作轻便省力,启闭迅速。 4、密封部位能调节和更换,密封性能可靠,流阻小,节能。 主要技术参数
标准规范
主要零件材料
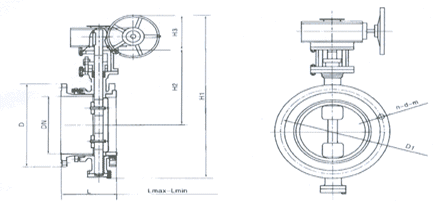
主要外形尺寸与法兰连接尺寸
产品尺寸![]() | |||||||||||||||||||||||||||||||||||||||||||||||||||||||||||||||||||||||||||||||||||||||||||||||||||||||||||||||||||||||||||||||||||||||||||||||||||||||||||||||||||||||||||||||||||||||||||||||||||||||||||||||||||||||||||

水力控制阀结构视频
国标电站闸阀视频
插板阀
结构视频





扫一扫关注我们