详细介绍
| 产品概述 D943H6p电动法兰硬密封蝶阀,采用精密的J形弹性密封圈和三偏心多层次金属硬密封结构,被广泛用于介质温度≤425℃的治金 、电力、石油化工、以及给排水和市政建设等工业管道上,作调节流量和载断流体使用。该阀采用三偏心结构,阀座与碟板密封面均采用不同硬度和不锈钢制作,具有良好的耐腐蚀性,使用寿命长,本阀具有双向密封功能,产品符合国家GB/T13927-92阀门压力试验标准。 产品特点 1、本阀采用三偏心密封结构,阀座与蝶板磨损小。 2、密封圈选用不锈钢制作,具有金属硬密封和弹性密封的双重优点,无论在低温和高温的情况下,均具有优良的密封性能,具有耐腐蚀,使用寿命长等特点。 3、碟板密封面采用堆焊钴基硬质合金,密封面耐磨损,使用寿命长. 4、大规格蝶板采用绗架结构,强度高,过流面积大,流阻小。 5、本阀具有双向密封功能,安装时不受介质流向的限制,也不受空间位置的影响,可在任何方向安装。 6、驱动装置可以多工位(旋转90°或180°)安装,便于用户使用。 主要技术参数
主要零部件材料
采用标准
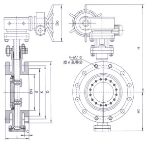
产品尺寸![]() | ||||||||||||||||||||||||||||||||||||||||||||||||||||||||||||

水力控制阀结构视频
国标电站闸阀视频
插板阀
结构视频





扫一扫关注我们