sp45f数字锁定平衡阀

高压锻造球阀

  • 质量稳定
  • 价格合理
  • 交货快捷
  • 天力水暖为您提供全套工程阀门解决方案
  • 销售:0577-8681 5766
  • 传真:0577-8683 8292
  • 地址:浙江省温州市龙湾沙城七五兴业路11号
15325513395

详细介绍

产品用途
球阀在石油、天然气、煤炭和矿石的开采、提炼加工和管道输送系统中;在化工产品、医药和食品生产种;在水电、火电和核电的电力生产系统中;在城市和工业企业的给排水、供热、和供气系统中;在农田的排灌系统中;在治金生产系统中得以广泛的应用,是一种与生产建设、国防建设和人民生活息息相关的重要机械产品。球阀密闭在各类管路系统种用于截断或接通介质流,使介质按照预定的程序输送到各个指定点。

型号 公称压力 试验压力[MPa] 工作压力 工作温度 使用介质
壳体 密封
Q41N60 16.0 24.0 17.6 16.0 -40~50 水、油品、氮、氢、氨
Q41N-320 32.0 48.0 35.2 32.0
主要零件材料

零件名称 阀体 阀座、阀杆、球体 密封圈 法兰 双头螺栓 O型圈
材料 45 2Cr13 尼龙1010 35 35CrMo 丁腈橡胶
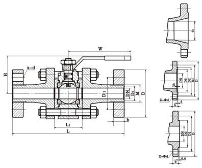
主要尺寸

公称压力 公称通径 L L1 D D1 M D2 Z-фd b H L0
16.0 10 210 52 95 60 M24×2 18 3-ф18 20 77 220
15 230 62 95 60 M24×2 20 3-ф18 20 85 220
20 240 73 105 68 M33×2 28 3-ф18 20 94 250
25 260 77 105 68 M33×2 28 3-ф18 22 100 250
32 300 100 115 80 M42×2 38 4-ф18 24 120 300
40 350 110 165 115 M52×3 48 6-ф26 30 150 400
50 400 130 165 115 M64×3 58 6-ф26 32 165 400
65 490 140 200 145 M80×4 74 6-ф29 40 180 500
80 580 150 225 170 M100×3 94 6-ф33 50 200 600
100 620 178 260 195 M125×4 115 6-ф36 60 245 800
公称压力 公称通径 L L1 D D1 M D2 Z-фd b H L0
32.0 10 210 52 95 60 M24×2 18 3-ф18 20 77 220
15 230 62 105 68 M33×2 28 3-ф18 20 85 220
20 240 73 105 68 M33×2 28 3-ф18 20 94 250
25 260 77 115 80 M42×2 35 4-ф18 25 100 250
32 300 100 135 95 M48×2 41 4-ф22 30 120 300
40 350 110 165 115 M64×3 47 6-ф26 35 150 400
50 400 130 200 145 M80×3 70 6-ф29 40 165 450
65 490 140 225 170 M100×3 90 6-ф33 50 180 500
80 580 150 260 195 M125×4 112 6-ф36 55 200 600
100 620 178 300 235 M155×4 135 8-ф36 65 245 800

产品结构
© 2017 温州天力水暖设备有限公司 版权所有 备案号:浙ICP备19051804号 瑞奇阀门
Top

[关闭]免费接听天力销售工程师电话

输入手机或固定电话号码,点击“免费咨询”按钮后,
我们的服务人员会在15秒内回拨您。

手机请直接输入:如 13878800000
座机前请加区号:如 02168103333
我们已对本次通话全程加密,您的通话费用我们已经帮您支付,请放心接听!
免费通话所产生的费用由我们来支付,请放心接听!
销售热线:0577-86815766