sp45f数字锁定平衡阀

不锈钢阀门

  • 质量稳定
  • 价格合理
  • 交货快捷
  • 天力水暖为您提供全套工程阀门解决方案
  • 销售:0577-8681 5766
  • 传真:0577-8683 8292
  • 地址:浙江省温州市龙湾沙城七五兴业路11号
15325513395

详细介绍

不锈钢阀门产品特征

不锈钢球阀公称压力:2.5MPa
不锈钢球阀适用稳定范围:-20~232℃~350℃
不锈钢球阀适用介质:水、油、气及某些腐蚀性液体(W。O。G)
不锈钢球阀螺纹类型:G.NPT.BSPT.BSP.DIN259/2999

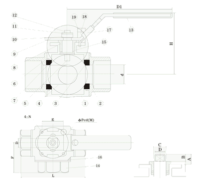
主要零件材料
零件名称
材质
阀体
不锈钢CF8M/CF8
阀盖
不锈钢CF8M/CF8
不锈钢CF8M/CF8
球垫
聚四氟乙烯PTEE
阀杆
不锈钢CF8M/CF8
填料
聚四氟乙烯PTEE
中口
聚四氟乙烯PTEE
大薄片
聚四氟乙烯PTEE
压紧螺母
不锈钢CF8M/CF8
手柄
不锈钢CF8M/CF8
流向指示牌
ALUMINUM
华司
不锈钢CF8
螺帽
不锈钢CF8
锁定装置
不锈钢CF8
皮套
塑料
盲盖
不锈钢CF8M/CF8

 

L型主要尺寸

SIZE
d
L
H
D1
B
W1
W2
h
1/2"
12.7
64
53
97
32.0
22.4
35.0
10-24UNC
3/4"
16.0
76
63
126
38.0
22.4
35.0
10-24UNC
1"
20.0
87
66
126
43.5
22.4
35.0
10-24UNC
1/4"
25.0
96
81
145
48.0
22.4
35.0
10-24UNC
1/2"
32.0
114
83
145
57.0
22.4
38.1
1/4-20UNC
2"
38.1
142
96
204
71.0
22.4
38.1
1/4-20UNC

不锈钢阀门产品尺寸

不锈钢球阀

© 2017 温州天力水暖设备有限公司 版权所有 备案号:浙ICP备19051804号 瑞奇阀门
Top

[关闭]免费接听天力销售工程师电话

输入手机或固定电话号码,点击“免费咨询”按钮后,
我们的服务人员会在15秒内回拨您。

手机请直接输入:如 13878800000
座机前请加区号:如 02168103333
我们已对本次通话全程加密,您的通话费用我们已经帮您支付,请放心接听!
免费通话所产生的费用由我们来支付,请放心接听!
销售热线:0577-86815766