sp45f数字锁定平衡阀

q41f三片式法兰球阀

  • 质量稳定
  • 价格合理
  • 交货快捷
  • 天力水暖为您提供全套工程阀门解决方案
  • 销售:0577-8681 5766
  • 传真:0577-8683 8292
  • 地址:浙江省温州市龙湾沙城七五兴业路11号
15325513395

详细介绍

产品特征

公称压力:1.6-6.4MPa
适用稳定范围:-20~232℃~350℃
适用介质:水、油、气及某些腐蚀性液体(W。O。G)

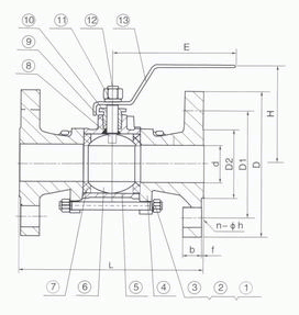
主要连接尺寸及重量 单位:mm

SIZE
1/2"
3/4"
1"
1/4"
1/2"
2"
2/2"
3"
4"
d
15
20
25
32
38
50
65
76
100
L
130
150
160
180
200
230
290
310
350
D
95
105
115
135
145
160
180
195
230
D1
65
75
85
100
110
125
145
160
190
D2
45
55
65
78
85
100
120
135
160
b
14
16
16
18
18
20
22
24
24
f
2
2
2
3
3
3
3
3
3
H
75
95
90
110
130
140
170
180
250
w
130
140
140
170
200
220
350
350
550
n-do
44
44
44
48
48
88
88
88
8-22

主要零件材料

零件名称
材质
不锈钢
碳钢
螺栓
不锈钢SS304
碳钢
弹簧垫圈
不锈钢SS304
不锈钢SS304
螺母
不锈钢SS304
碳钢
阀盖
不锈钢CF8/CF8M
碳钢WCB
阀体
不锈钢CF8/CF8M
碳钢WCB
球体
不锈钢CF8
不锈钢CF8
密封圈
聚四氟乙烯PTFE
聚四氟乙烯PTFE
阀杆
不锈钢SS316
不锈钢SS304
填料
聚四氟乙烯PTFE
聚四氟乙烯PTFE
压紧螺母
不锈钢SS316
不锈钢SS304
弹簧垫圈
不锈钢SS304
不锈钢SS304
螺母
不锈钢SS304
不锈钢SS304
手柄
不锈钢SS304
不锈钢SS304

产品尺寸

© 2017 温州天力水暖设备有限公司 版权所有 备案号:浙ICP备19051804号 瑞奇阀门
Top

[关闭]免费接听天力销售工程师电话

输入手机或固定电话号码,点击“免费咨询”按钮后,
我们的服务人员会在15秒内回拨您。

手机请直接输入:如 13878800000
座机前请加区号:如 02168103333
我们已对本次通话全程加密,您的通话费用我们已经帮您支付,请放心接听!
免费通话所产生的费用由我们来支付,请放心接听!
销售热线:0577-86815766