sp45f数字锁定平衡阀

X43W二通不锈钢旋塞阀

  • 质量稳定
  • 价格合理
  • 交货快捷
  • 天力水暖为您提供全套工程阀门解决方案
  • 销售:0577-8681 5766
  • 传真:0577-8683 8292
  • 地址:浙江省温州市龙湾沙城七五兴业路11号
15325513395

详细介绍

性能参数

型号 公称压力
PN(MPa)
试验压力PS(MPa) 适用介质 工作温度(℃)
壳体 密封
X44W.0P 1.0 1.5 1.1 硝酸类 ≤250
X44W.0R 1.0 1.5 1.1 醋酸类 ≤250

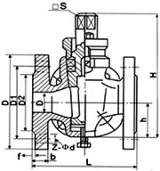
主要尺寸参数

公称压力
PN(MPa)
公称通径
DN(mm)
尺寸(mm)
L D D1 D2 z-φd □s h H
1.0 25 145 115 85 56 4╳φ14 17 38 133
32 170 135 100 78 4╳φ18 18 45 152
40 180 145 110 85 4╳φ18 24 55 212
50 200 160 125 100 4╳φ18 28 74 260
65 220 180 145 120 4╳φ18 32 82 295
80 250 195 160 135 4╳φ18 40 95 327
100 300 215 180 155 8╳φ18 45 135 425
125 350 245 210 185 8╳φ18 54 154 482
150 400 280 240 210 8╳φ23 62 172 512
200 450 335 295 265 8╳φ23 75 195 605
250 530 390 350 320 8╳φ23 85 230 660
300 580 440 400 368 8╳φ23 100 263 760

零部件材料

零件名称 阀体 塞子 填料压盖 填料
X44W.0P 铬镍钛不锈钢 铬镍钛不锈钢 铬镍钛不锈钢 柔性石墨
油浸石棉盘根

产品尺寸

© 2017 温州天力水暖设备有限公司 版权所有 备案号:浙ICP备19051804号 瑞奇阀门
Top

[关闭]免费接听天力销售工程师电话

输入手机或固定电话号码,点击“免费咨询”按钮后,
我们的服务人员会在15秒内回拨您。

手机请直接输入:如 13878800000
座机前请加区号:如 02168103333
我们已对本次通话全程加密,您的通话费用我们已经帮您支付,请放心接听!
免费通话所产生的费用由我们来支付,请放心接听!
销售热线:0577-86815766