sp45f数字锁定平衡阀

X41F美标蜗轮旋塞阀

  • 质量稳定
  • 价格合理
  • 交货快捷
  • 天力水暖为您提供全套工程阀门解决方案
  • 销售:0577-8681 5766
  • 传真:0577-8683 8292
  • 地址:浙江省温州市龙湾沙城七五兴业路11号
15325513395

详细介绍

美标旋塞阀特点
①旋塞阀密封面之间的运动带有擦拭作用、全开时可以完全防止密封面与介质接触所以可用于带悬浮颗粒的介质。
②旋塞阀圆柱形的关闭件通过旋转900就可以达到开启和关闭所以该阀门非常适用快速启闭的场合。
③旋塞阀结构简单易于维修和清理、如紧定式圆维形旋塞阀、拧下紧定螺母、撤下垫圈阀塞便可以从阀体中取出、进行清理和维修。奥氏体不  锈钢制成的该类阀门是食品工业和制药工的最佳选择。

标准STD
设计与制造
结构长度
法兰尺寸
对焊连接尺寸
压力~温度
试验~检验
API600
ANSIB16.10
ANS1B16.5a
ANS1B16.25
ANS1B16.34
AP1598
压力试验
公称压力
强度试验
水密封试验
气密封试验
MPa
Lbf/in2
MPa
Lbf/in2
MPa
Lbf/in2
150
3.1
450
2.2
315
0.5~0.7
60~100
300
7.8
1125
5.6
815
600
15.3
2225
11.2
1630
900
23.1
3350
16.8
2440
1500
38.4
5575
28.1
4080
2500
64.6
9367
47.4
6873
主要零件材料及性能
阀体、阀盖
塞体
调节阀
调节垫片
O形圈
工作温度
适用介质
WCB
WCB
F6
PTFE
增强PTFE
氟橡胶
-29~340℃
水、蒸汽、天然气、石油、石油产品、硝酸、醋酸
A105
A105
F6
CF8
F304
F304
CF3
F316
F316
PTFE
耐酸220℃
 
CF8M
F304L
F304L
CF3M
F316L
F316L

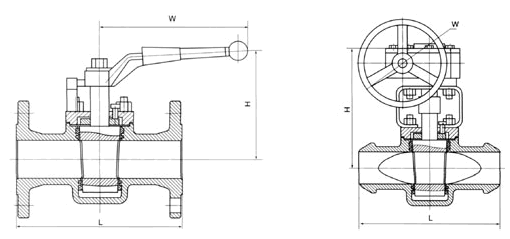
主要外形尺寸

磅级
尺寸
d
L
D
D1
D2
b
z-φd
f
Lo
H
X
W
150
1/2
13
108
89
60
35
-
46
2
149
121
-
-
3/4
19
117
98
70
43
-
46
2
149
121
-
-
1
25
140
128
79
51
11
46
2
181
124
-
-
21/2
38
165
127
98
73
14
46
2
229
140
-
-
2
51
178
152
121
92
16
49
2
305
159
-
-
21/2
64
191
178
140
105
17
49
2
460
191
-
-
3
76
203
191
152
127
19
49
2
460
191
-
-
4
102
229
229
191
157
24
89
2
762
229
-
-
6
152
267
279
241
216
25
8-22
2
-
536
222
305
8
203
292
343
298
270
29
8-22
2
-
565
400
460
10
254
330
406
362
324
30
12-25
2
-
616
400
460
300
1/2
13
140
95
67
35
14
46
2
149
121
-
-
3/4
19
152
117
83
43
16
49
2
149
121
-
-
1
25
159
124
89
51
17
49
2
181
124
-
-
21/2
38
191
156
114
73
21
4-22
2
229
140
-
-
2
51
216
165
127
92
22
89
2
305
159
-
-
21/2
64
241
191
149
105
25
8-22
2
460
191
-
-
3
76
283
210
168
127
29
8-22
2
460
191
-
-
4
102
305
254
200
157
32
8-22
2
762
229
-
-
6
152
403
318
270
216
37
12-22
2
-
546
222
305
8
203
419
381
300
270
41
12-25
2
-
565
400
460
10
254
457
445
387
324
48
16-29
2
-
616
400
460

产品尺寸

© 2017 温州天力水暖设备有限公司 版权所有 备案号:浙ICP备19051804号 瑞奇阀门
Top

[关闭]免费接听天力销售工程师电话

输入手机或固定电话号码,点击“免费咨询”按钮后,
我们的服务人员会在15秒内回拨您。

手机请直接输入:如 13878800000
座机前请加区号:如 02168103333
我们已对本次通话全程加密,您的通话费用我们已经帮您支付,请放心接听!
免费通话所产生的费用由我们来支付,请放心接听!
销售热线:0577-86815766