sp45f数字锁定平衡阀

H42W立式止回阀

  • 质量稳定
  • 价格合理
  • 交货快捷
  • 天力水暖为您提供全套工程阀门解决方案
  • 销售:0577-8681 5766
  • 传真:0577-8683 8292
  • 地址:浙江省温州市龙湾沙城七五兴业路11号
15325513395

详细介绍

产品概述
本系列阀门正常处于关闭状态,由于管线中进口端介质的压力作用,而克服弹簧阻力使阀门开启。当进口端介质压力低于出口端时,弹簧将阀芯推向阀座而使阀门关闭,阻止介质逆流,故起止回作用。
本阀门由于采用弹簧支撑阀芯,故采用立式安装或卧式装均可。

主要性能规范
型号 公称压力
PN(MPa)
试验压力SP(MPa) 适用温度
(℃)
适用介质
壳体 密封
H42W-25P 2.5 3.8 2.8 ≤200 硝酸类
H42W-25R 醋酸类
H42W-40P 4.0 6.0 4.4 水、油品
H42W-40R  
H42Y-40  
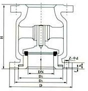
主要外形尺寸和连接尺寸(MM)
型号 公称通径
DN(mm)
尺寸(mm)
L D D1 D2 b f Z-Φ
1 2 3
H42W-25P H42W-25R 15 - 85 85 95 65 45 16 - 4-Φ14
20 - 95 95 105 75 55 16 - 4-Φ14
25 - 100 105 115 85 65 16 - 4-Φ14
32 - 105 150 135 100 78 16 - 4-Φ14
40 - 115 160 145 110 88 18 - 4-Φ14
50 140 125 170 160 125 100 20 3 4-Φ14
65 160 145 180 180 145 120 22 3 8-Φ18
80 185 155 200 195 160 135 22 3 8-Φ18
100 210 210 210 230 190 160 24 3 8-Φ23
125 - 275 275 275 220 188 28 3 8-Φ25
150 300 225 300 300 250 218 30 3 8-Φ25
200 380 380 380 360 310 278 34 3 12-Φ25
产品结构

© 2017 温州天力水暖设备有限公司 版权所有 备案号:浙ICP备19051804号 瑞奇阀门
Top

[关闭]免费接听天力销售工程师电话

输入手机或固定电话号码,点击“免费咨询”按钮后,
我们的服务人员会在15秒内回拨您。

手机请直接输入:如 13878800000
座机前请加区号:如 02168103333
我们已对本次通话全程加密,您的通话费用我们已经帮您支付,请放心接听!
免费通话所产生的费用由我们来支付,请放心接听!
销售热线:0577-86815766