sp45f数字锁定平衡阀

175H48Y(H)-200空排止回阀

  • 质量稳定
  • 价格合理
  • 交货快捷
  • 天力水暖为您提供全套工程阀门解决方案
  • 销售:0577-8681 5766
  • 传真:0577-8683 8292
  • 地址:浙江省温州市龙湾沙城七五兴业路11号
15325513395

详细介绍

动作原理
打开出口阀,给水泵启动,给水达到一定的压力后,阀芯自动升起,推离阀座,给水即流出。同时阀芯连杆拔动排空口阀片封闭排空口。当给水泵流量减小时,阀芯下落,推动连杆拔开排空阀片,开启再循环门维持水泵最小流量。当停泵时,阀芯自动下落关闭通道,从而防止高压水锤对给水系统的破坏。

产品参数
公称压力 PN/MPa  壳体试验压力 Ps/MPa  工作压力 PN/MPa  适用介质  工作温度/℃
 20.O  30.O  20.O  水  ≤160

 

 零件名称  材料
 阀体、定位轮、连接法兰、排气法兰、法兰盖  碳素铸钢
 导向轴、拔叉、轴套、滑块、排放套、排气盘  不锈钢
 螺栓、螺柱  铬钼钢
 衬套  铸铝青铜
 阀瓣、阀瓣体、阀瓣轴、连接叉、螺母  优质碳素钢
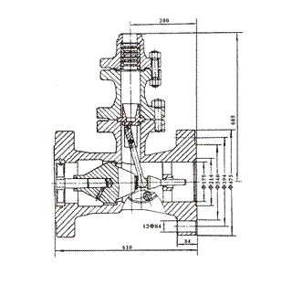
产品结构

© 2017 温州天力水暖设备有限公司 版权所有 备案号:浙ICP备19051804号 瑞奇阀门
Top

[关闭]免费接听天力销售工程师电话

输入手机或固定电话号码,点击“免费咨询”按钮后,
我们的服务人员会在15秒内回拨您。

手机请直接输入:如 13878800000
座机前请加区号:如 02168103333
我们已对本次通话全程加密,您的通话费用我们已经帮您支付,请放心接听!
免费通话所产生的费用由我们来支付,请放心接听!
销售热线:0577-86815766