详细介绍
结构特点及图片
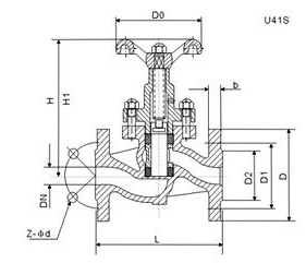
法兰柱塞阀是有阀体、阀盖、阀杆、柱塞、孔架、密环、手轮等零件组成(如图)。当手轮旋转时,通过阀杆带动柱塞在孔架中间上下往复运动来完成阀门的开启与关闭功能。由于法兰柱塞阀的中柱塞与密封环间采用过盈配合。通过调节压盖中法兰螺栓,使密封环压缩所产生的侧向力与阀体中孔面积柱塞外圆密封。从而保证了柱塞阀的密封性,杜绝了内泄漏,同时柱塞开启矩小,能实现阀门的迅速启闭。法兰柱塞阀的密封环采用回弹性强,耐磨性高的无毒新型密封材料,具有经受长期高温,高压而不丧失弹性,所以密封性能可靠,经久耐用。
阀体及密封圈材料
主要外形与连接尺寸
产品尺寸
| ||||||||||||||||||||||||||||||||||||||||||||||||||||||||||||||||||||||||||||||||||||||||||||||||||||||||||||||||||||||||||||||||||||||||||||||||||||||||||||||||||||||||||||||||||||||||||||||||||||||||||||||||||||||||||||||||||||||||||||||||||||||||||||||||||||||||||||||||||||||||||||||||||||||||||||||||||||||||||||||||||||||||||||||||||||||||||||||||||||||||||||||||||||||||||||||||||||||||||||||||||||||||||||||||||||||||||||||||||||||||||||||||||||||||||||||||||||||||||||||||||||||||||||||||||

水力控制阀结构视频
国标电站闸阀视频
插板阀
结构视频





扫一扫关注我们